WHATSAPP
+86-13072088960

Миниатюрные трансформаторы тока для измерения первичной обмотки

ТОВАР > Миниатюрный трансформатор тока > Миниатюрные трансформаторы тока для измерения первичной обмотки

Миниатюрные трансформаторы тока для измерения первичной обмотки

Разделение:

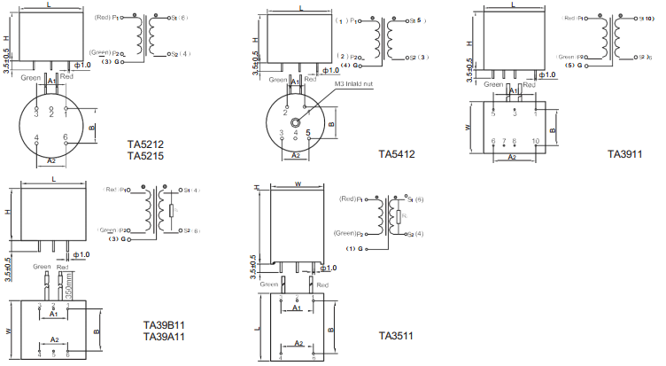
图片.png
图片.png

Особенности:
Бюджетный
Более 50 типоразмеров
Несимметричная схема монтажа
Имеются сердечники из тороидальной кремниевой стали и никелевого сплава

Приложения:
Для приложений, которые требуют исключительной точности с минимальной фазовой угловой погрешностью;
Приложения будут включать Текущий;
Приборы контроля мощности и энергии.

Характеристики:
Внешний материал: PBT Resin UL рейтинг огнестойкости 94-V0
Внутренняя изоляция: эпоксидная смола
Ток изоляции: 2500 Vrms за 1 минуту
Сопротивление диэлектрика: 1000 мОм при 500 В пост.
Выдерживать от перенапряжения: 5000 В (стандартная ударная волна 1,2 / 50 мкс)
Номинальное сопротивление нагрузки: 100 кОм
Рабочая температура: от -25 до + 55 ℃, от -40 до + 85 ℃ опционально
Частота: от 50 до 400 Гц
Класс точности: как определено в МЭК 60044-1 Часть 1 Класс трансформаторов тока 0,1,0.2
Соответствует RoHS


Имя
Номер телефона
Почта
название компании
Адрес
Сообщение*
 
Коды
Отправить